
小口徑面板式有機玻璃轉子流量計亦稱面板式流量計,其被廣泛應用于測量微小流量的液體或者氣體的體積流量,其主要對工作壓力小于0.6MPa;工作溫度小于60℃的介質的流體流量測量,主要特點是質量輕、刻度清晰、不易碎、使用壽命長。
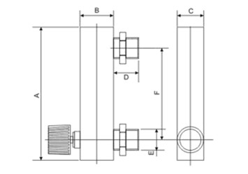
面板式有機玻璃轉子流量計(小口徑)流量及尺寸技術參數
| 型號 | 測量范圍 |
接口 螺紋 |
精度 | 外形尺寸 | ||||||
| ml/min(液體) | L/min(氣體) | A | B | C | D | E | F | |||
| ZHLZBY-4MZT |
6~60 8~80 40~400 |
0.05~0.5 0.1~1 0.2~2 0.25~2.5 1~4 0.6~6 1~5 1~10 1~12 |
φ6快插 連接 |
4% | 94 | 27 | 21 | 14 | 14 | 70 |
| ZHLZBY-6MZT |
6~60 16~160 10~70GPH 25~250 80~400 100~500 100~600 200~800 100~1000 |
0.1~0.8 0.1~1 0.1~1.5 0.3~3 0.4~4 0.5~8 1~5 1~12 2~10 2~20 3~15 3~30 4~20 5~25 6~30 10~60 10~70 10~100 0.05~0.25m³/h 0.04~0.4m³/h |
內G1/4 | 102 | 30 | 25 | 20 | M18*1.5 | 77 | |
| ZHLZBY-8MZT |
2.5~25LPH 5~45LPH 6~60LPH |
0.16~1.6m³/h 0.1~1m³/h 0.2~2m³/h |
110 | 25 | 25 | 20 | M18*1.5 | 80 | ||
產品外形圖:
面板式有機玻璃轉子流量計零部件材質及代碼
| 有無調節閥 | 調節閥材質 | 接咀材質 | O型圈材質 |
|
T-有調節閥 O-無調節閥 |
√1、黃銅 2、不銹鋼 |
√1、黃銅 2、黃銅鍍鉻 3、不銹鋼 |
√1、硅橡膠 2、氟塑橡膠 3、丁晴膠 |
注:“√”為正常產品配置